j'ai commencé a attaquer le floppy, il s'agit d'un Shugart SA 390 fabriqué aux USA, il est reconnaissable à sa spirale "escargot" noire, sa carte analogique qui ne comporte qu'un seul réglage, ses 2 selfs apparentes sur un barreau de ferrite, sa nappe de connexion multicolore non blindée...
Le réveil est difficile, le moteur d'avance tête et toute la logique à l'air d'être OK mais le moteur d’entrainement de la disquette ne fonctionne pas. J'ai vérifié les 2 transistors de la carte moteur qui sont bon, j'ai un peu peur que le circuit intégré (LM2917) de contrôle de la vitesse ne fonctionne pas

, j'ai encore 2 ou 3 trucs à vérifier avant de l'incriminer définitivement.
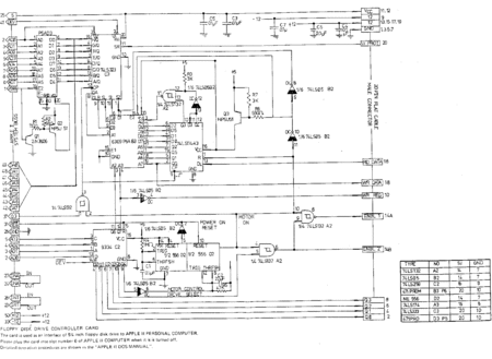
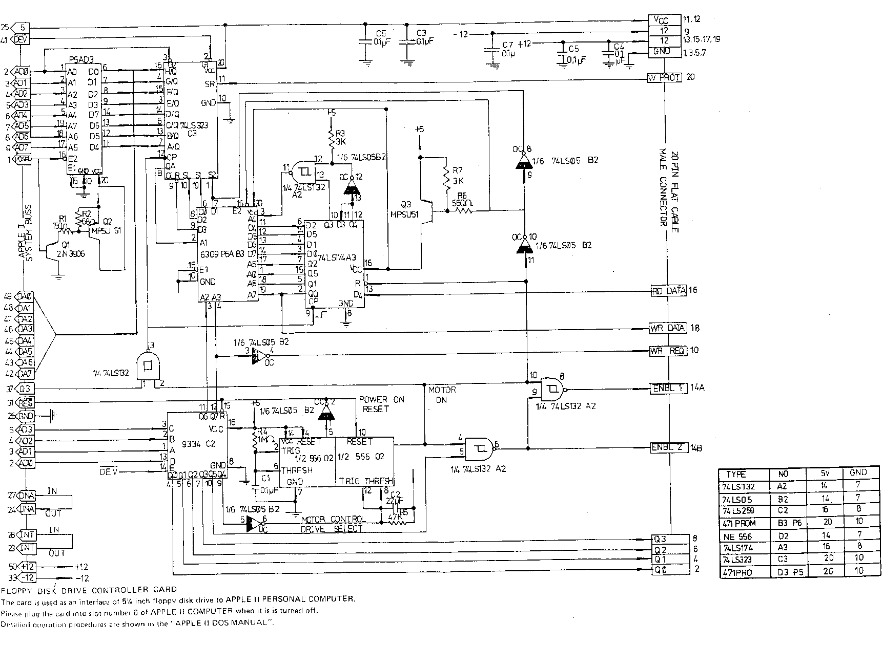
Par contre, là où j'ai passé le plus de temps c'est sur la recherche des schémas, c'est quand même plus pratique et rapide pour faire le dépannage.
Si les schémas de la carte contrôleur et de la carte analogique sur le floppy se trouvent partout, j'ai eu un peu plus de mal pour la carte moteur d’entrainement.
Le plus intéressant c'est que j'ai trouvé non pas un , pas deux mais trois schémas différents correspondant à 3 cartes différentes

. Rien que pour ça je suis content d'avoir eu le besoin de faire cette recherche

.
J'ai fait ZE compil de tous les schémas de toute la partie disque de l'APPLE 2, la carte contrôleur, la carte analogique et les cartes moteurs différentes
Et elle est où la compil, hein... elle est où... aller... steuplait

...
Et hop...
Schémas des cartes :
Controleur disque : 650-X104
Carte analogique sur le floppy : 650-0103
3 cartes moteurs d’entrainement disquettes, référence 25063 , 25129 et l'autre mais je ne suis pas sûr de la référence 258596 ou 250596.
Autrement pour mon problème de clavier et de KR3600 HS, je crois avoir trouvé une solution alternative à base d'Arduino UNO.
En effet il existe une bibliothèque qui prend en charge un clavier PS/2 ou USB avec un branchement ultra simple sur l'Arduino, 4 fils

, l'appui sur une touche du clavier est directement décodé par la bibliothèque, donc il n'y a rien à écrire si ce n'est un petit script de conversion de l'ASCII en code 7 bits, genre IF key(A) suivi d'un digitalwrite sur chacune des 7 sorties correspondant aux 7bits de la nappe clavier ou écriture direct avec l'instruction PORTx 1000001 par ex.
Après ce test il faut envoyer une pulse de 10µs sur la broche strobe pour que l'Apple prenne en compte les 7 bits.
Bon ça c'est la théorie comme dirait l'autre YAKAFOKON

.