[Réparation] - Sinclair ZX Sprectrum +2

Les ordinateurs personnels des années 80 et 90. Amstrad, Atari, Amiga et bien d'autres ordinosaures ...

Modérateur : Membres WDA

Règles du forum
N'oubliez pas; Présentez-vous ...
(Règlement interne du forum WDA)
Avatar du membre
Krapoutchik
Contrôle WDA
Contrôle WDA
Messages : 1095
Enregistré le : 01 juil. 2009, 08:00
Collectionneur (-euse) ? : Oui
Localisation : Paris

[Réparation] - Sinclair ZX Sprectrum +2

Message non lu par Krapoutchik »

Hello :mrgreen: ,

Bricole du dimanche, un Sinclair ZX Spectrum +2.
En fait sous une étiquette Sinclair c'est bel et bien un Amstrad 128 K qui se cache sous la carrosserie :think: .

Alors quel est le souci ?

Sur la sortie télévision pas de problème malgré une mauvaise qualité d'image, modulateur UHF oblige, on n'est plus habitué à ça :bullwhip: .
Sur la sortie vidéo avec la prise péritel, la télé a du mal à afficher une image et quand elle l'affiche celle ci change de largeur toutes les 1/2 secondes la hauteur restant fixe. Il n'y a pas de son non plus.
En mesurant la tension sur la broche 8 de la péritel on trouve une tension de 4,5 V. Avec cette tension la télé a du mal à interpréter si l'image est en 4/3 ou en 16/9 d'où le changement régulier de la largeur.
Le son n'est tout simplement pas cablé sur la prise DIN sur laquelle est raccordé la prise péritel :think: .
ZX Spectrum +2
ZX Spectrum +2
Et oui c'est bien une carte mère Amstrad, sur la partie gauche on voit le modulateur UHF et sur la partie droite le régulateur 5V monté sur un gros radiateur.
Carte mère Spectrum +2
Carte mère Spectrum +2
Pour cabler le son c'est simple, il suffit de déplacer le strap !
Le strap dans la bonne position pour amener le son jusqu'à la prise DIN
Le strap dans la bonne position pour amener le son jusqu'à la prise DIN
Pour résoudre le souci avec la largeur d'image, plutôt que d'effectuer des modifications sur la carte mère, j'ai préféré tout simplement retiré la broche 8 de son emplacement. Pourquoi ? Eh bien parce que n'ayant pas de moniteur AMSTRAD couleur d'origine je ne sais pas si celui ci a besoin de cette tension ou non, il est beaucoup plus simple de remettre la pin 8 en place en cas de besoin que d'aller remodifier la carte mère !
Pin 8 retirée
Pin 8 retirée
Pour enlever une patte d'une prise péritel sans tout casser il suffit d'appuyer sur la petite patte de blocage au bout de la flèche 1. En 2 on voit la patte 8 qui est simplement repoussée dans la prise.
peritel.jpg
Ouf !! j'ai réussi à ne pas violer l'étiquette de garantie :mrgreen:
serial.JPG
Aller, place au jeu !
Spellbound en cours de chargement...
Spellbound en cours de chargement...
Le magnétophone fonctionne impeccablement et pourtant, la courroie d'origine n'est même pas abimée !
Tektronix 454A, Atten ADS 1102CAL Powa !!
Born to bricole
[Rch] Vieux composants électroniques et circuits intégrés toute époque et vieilles cartes à microprocesseur
Ma petite collection...
Tutoriel pour insérer des photos...
Avatar du membre
Krapoutchik
Contrôle WDA
Contrôle WDA
Messages : 1095
Enregistré le : 01 juil. 2009, 08:00
Collectionneur (-euse) ? : Oui
Localisation : Paris

Re: [Réparation] - Sinclair ZX Sprectrum +2

Message non lu par Krapoutchik »

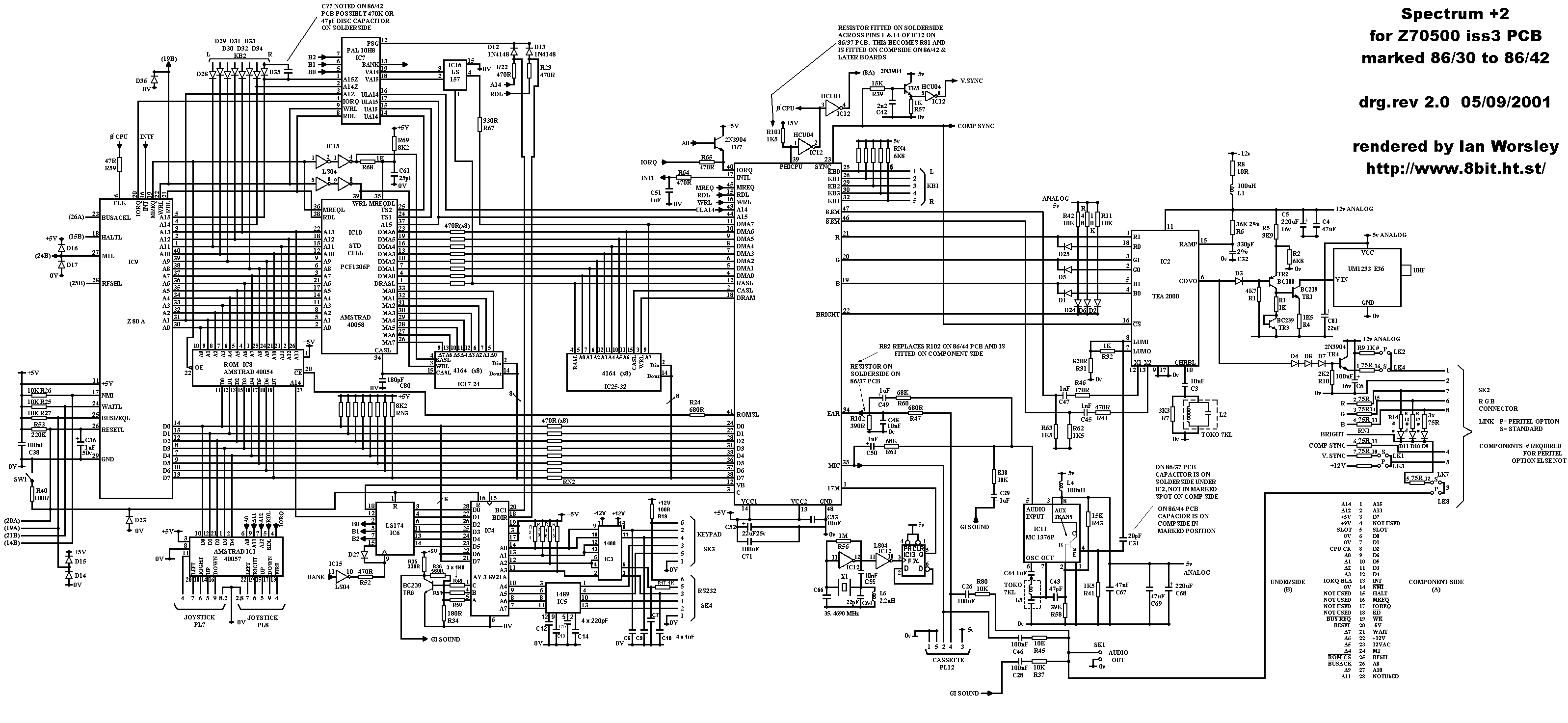
En fait la vidéo carte mère est cablée de 2 manières, Standard pour un moniteur Amstrad je suppose et Péritel pour une sortie... péritel.

les straps à cabler sont repérés par un P (Péritel) ou S (standard) , les straps doivent être sur P ou sur S, une position excluant l'autre.

Plus d'information sur l'excellent site de Kio . Attention, il s'agit d'un site hébergé chez Kio donc pour ne pas lui saturer sa bande passante, allez y doucement sur le téléchargement.

Au cas où je mets le schéma redessiné par Ian Worsley...
Schéma du Sinclair ZX Spectrum +2 (révision 8640)
Schéma du Sinclair ZX Spectrum +2 (révision 8640)
Tektronix 454A, Atten ADS 1102CAL Powa !!
Born to bricole
[Rch] Vieux composants électroniques et circuits intégrés toute époque et vieilles cartes à microprocesseur
Ma petite collection...
Tutoriel pour insérer des photos...
Avatar du membre
Krapoutchik
Contrôle WDA
Contrôle WDA
Messages : 1095
Enregistré le : 01 juil. 2009, 08:00
Collectionneur (-euse) ? : Oui
Localisation : Paris

Re: [Réparation] - Sinclair ZX Sprectrum +2

Message non lu par Krapoutchik »

Bon, après réflexion j'ai décidé de modifié les straps du Spectrum pour les mettre en position Péritel, j'ai donc remis la pinouille sur la péritel en place. Comme le 12V y est désormais connecté l'allumage du ZX provoque automatiquement le passage en mode Péritel de la télévision

Ci-dessous une photo montrant le câblage des straps ainsi que le réglage de la fréquence du modulateur UHF. Pour régler le modulateur il ne faut pas se servir d'un tournevis en ferraille, il faut impérativement se servir d'un outil en plastique telle une touillette à café taillée au cutter par exemple ::wink: .
strap péritel.JPG
Ici on voit la fréquence sur laquelle j'ai réglé le modulateur. Quand j'ai testé le ZX la télé le captait sur le haut du canal 35 à 585 Mhz, je l'ai réglé sur le canal d'origine, le 36, sur la fréquence centrale de 591 Mhz comme il devait l'être en sortie d'usine, système couleur PAL son sur la bande i.
ATTENTION il faut faire attention à bien régler la télé pour avoir le son sur la bande i car si celui ci est réglé sur une autre bande (L, BG, DK...) il n'y aura pas d'image ou alors un gloubi goulba infâme ::lol: .
Sortie UHF ZX SPECTRUM +2 canal 36, 591 MhZ, PAL I
Sortie UHF ZX SPECTRUM +2 canal 36, 591 MhZ, PAL I
L'image n'est pas terrible :bullwhip:


Si on passe par la Péritel, c'est nettement mieux et quasiment parfait :clap: .
ecran peritel.JPG
Pendant que j'y étais j'en ai profité pour relevé le câblage de la DIN 8 vers la Péritel, c'est un peu à l'arrache mais compréhensible.
cablage peritel-din spectrum2.JPG
Ah... j'oubliais le plus important, l'alimentation fait 9V 2A , ATTENTION le MOINS est au CENTRE et le PLUS à l'EXTERIEUR
Tektronix 454A, Atten ADS 1102CAL Powa !!
Born to bricole
[Rch] Vieux composants électroniques et circuits intégrés toute époque et vieilles cartes à microprocesseur
Ma petite collection...
Tutoriel pour insérer des photos...

Qui est en ligne

Utilisateurs parcourant ce forum : ClaudeBot [Bot] et 2 invités